选择分类:当前分类——当前分类
本站推荐:
一种抢答器制作结果
文章长度[666] 加入时间[2006/7/1] 更新时间[2026/5/25 11:25:40] 级别[3] [评论] [收藏]

2003年,第1期,类别:电子制作


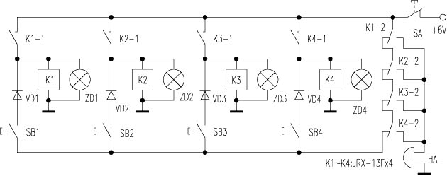
    学校需要一台抢答器,查找发现××刊物上有一则由继电器构成的抢答器电路。电路见图,原理如下:
    假设第二组先按下了抢答按钮SB2,则继电器K2吸合,灯ZD2亮。K2的常开接点K2-1闭合,使K2的吸合自保持;转换接点K2-2转换位置,使讯响器HA发声,同时切断其余继电器电源,使其余抢答按钮不起作用。ZD2持续亮,指示第二组抢答成功。
    该抢答器电路简单,元件易购,原理清晰,还可扩展,于是发动电子技术兴趣小组的同学装了一台。装成一试,继电器吸合根本不保持。查焊接情况未见有误,对于继电器,我们用的是JZC-7FA(6V),与电路标注不一致。是继电器有问题吗?总之,该抢答器如按下抢答按钮不放,其继电器的“嗒嗒”声便不绝于耳,但不能吸合。令人百思不得其解。

                                     江苏  金化  
    编者:你认为问题出在哪里?



1、 本站不保证以上观点正确,就算是本站原创作品,本站也不保证内容正确。
2、如果您拥有本文版权,并且不想在本站转载,请书面通知本站立即删除并且向您公开道歉! 以上可能是本站收集或者转载的文章,本站可能没有文章中的元件或产品,如果您需要类似的商品请 点这里查看商品列表!