注意:访问本站需要Cookie和JavaScript支持!请设置您的浏览器! 打开购物车 查看留言付款方式联系我们
初中电子 单片机教材一 单片机教材二
搜索上次看见的商品或文章:
商品名、介绍 文章名、内容
首页 电子入门 学单片机 免费资源 下载中心 商品列表 象棋在线 在线绘图 加盟五一 加入收藏 设为首页
本站推荐:
利用USB UART桥接器实现单片机在线编程
文章长度[3832] 加入时间[2006/7/1] 更新时间[2026/2/8 14:16:21] 级别[3] [评论] [收藏]

 



 


引 言:

  通用串行总线(USB)是一种支持即插即用的新型串行接口,使外设到计算机的连接更加高效便利。这种接口适合于多种设备,不仅具有快速、即插即用、支持热插拔的特点,还能同时连接多达127个设备,解决了如资源冲突、中断请求和直接数据通道等问题。因此,越来越多的开发者欲在自己的产品中使用这种标准接口。RS232是单个设备接入计算机时常采用的一种接入方式,其硬件和软件协议比较简单,有很多传统设备采用了这种通信方式。将USB转UART技术应用于单片机与PC机之间的数据通信,在计算机上产生一个虚拟的COM口,用户只需按照通用串行口一样使用USB口即可。这样不仅能使单片机具备USB通信的诸多优点,简化了USB编程,同时还可以利用USB对单片机提供5V的电源(500mA以下)。笔者根据芯片CP2101的USB转UART技术特点设计了实验电路板,达到了既提供实验电路板电源,又实现计算机与实验电路板通信的目的,并结合单片机IAP技术,可完成单片机的在线编程。


1 CP2101芯片的功能及工作电路图

  芯片CP2101是一种高度集成的USB转UART桥接器,它包含有USB2.0全速功能控制器、USB收发器振荡器和异步串行接口(UART)。该芯片的全部功能集成在一个5mm×5mm的MLP28封装的IC中。CP2101内置有与计算机通信的USB协议,工作时,会在计算机上产生一个虚拟COM口,用户就可以按照通用串行口的控制方式来使用这个COM口。

  CP2101内集成有多个模块,各自完成不同的功能,如图1所示。

① USB功能控制器是一个符合USB 2.0的全速器件,集成了收发器和片内相应的上拉电阻,USB功能控制器管理 USB和 UART间所有的数据传输和由 USB主控制器发出的命令请求以及用于控制 UART功能的命令,USB接口的信号描述如表1所列。
    
               图1CP2101的功能框图

              
② 异步串行接口(UART)包括TX (发送) 、RX (接收) 、数据信号以及RTS、 CTS、 DSR、 DTR、 DCD和 RI控制信号。UART支持 RTS/CTS、 DSR/DTR和 XOn/XOff握手协议,可以通过编程使UART支持各种数据格式和波特率,波特率的范围从300~921600不等。从CP2101转换出来的UART信号不是标准的RS232电平,而是TTL电平,其信号描述如表2所列。

③ 内部 EEPROM可以用于存储由设备原始制造商定义的USB供应商ID、产品ID、产品说明、电源参数器件、版本号和器件序列号等信息。

④ 电压调节器是一个可以由USB总线驱动的器件电源,可在VDD引脚输出3.0~3.6 V电压,1~100 mA电流。

2 基于USB转UART技术的IAP编程电路设计

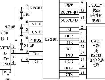
2.1CP2101的外围接口电路

  CP2101是USB转串行口桥接器,它需要设计外接USB接口电路和RS232接口电路。USB接口电路实现CP2101与计算机之间的通信;RS232接口电路实现CP2101和外设之间的通信。接口电路如图2所示。其中RS232电平转换电路可根据需要选用MAX3243或MAX232。
     
              图2CP2101的外围接口电路

  对用户来说,CP2101就是一个USB转RS232的芯片,只不过RS232的输入和输出信号均为TTL电平,而不是标准的RS232电平。它的使用与普通的USB外设相同,当第一次带电插入PC机USB接口时,系统会提示安装相应的驱动程序,驱动程序可从网站www.xhl.com.cn上下载。驱动程序安装完后,系统会自动增加一个COM口,用户就可以按照传统的串行口控制方式来使用这个带有5 V和3.3 V供电的“COM口”。

2.2根据CP2101设计IAP工作电路

  根据IAP编程的工作原理,如果单片机在2 s内没有接收到任何IAP命令,在看门狗定时器的作用下将自动进入用户程序。用户还可以通过编程控制串行口上的RTS引脚产生复位信号来控制单片机。也可以在复位后(2 s内)直接以约定的波特率传送HEX代码文件,自动完成程序的擦除和写入,大大简化了IAP编程过程。

  根据IAP编程的原理,作者先后设计了两种接口电路。一种是传统电路IAP工作电路,没有使用CP2101芯片,如图3所示。另一种是利用CP2101设计的IAP工作电路,如图4所示。
     
              图3传统电路 IAP工作电路
    
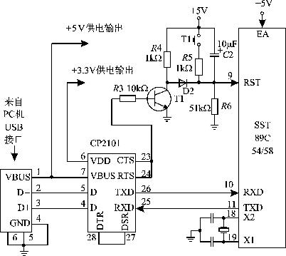
              图4利用CP2101的IAP工作电路

  在传统电路IAP工作电路中,利用USB接口提供TTL电源,串行口提供IAP编程、数据传输及复位控制信号。图3中,R1、R2、C1和K1构成传统的上电自动和手动复位电路,R7、D1构成一个由串行口RTS端控制的复位电路;串行口信号需要由RS232电平转换为TTL电平,需要设计电平转换电路或采用专用的电平转换芯片。该电路工作时需要有两个接口,USB接口和COM接口,USB接口的功能是提供TTL电平的电源,串行接口的功能是串行口通信、IAP编程及复位信号控制。

  在利用CP2101设计的IAP工作电路中,USB接口除了提供TTL电源外、还有串行口通信、IAP编程及复位信号控制。图4中,R5、R6、C2和K2构成传统的上电自动和手动复位电路,R3、R4、D2和T1构成一个由串行口RTS端控制的复位电路,由于CP2101转换后的信号是TTL电平,可以直接为单片机使用,节省了RS232电平转换为TTL电平的辅助电路。

  利用CP2101设计的IAP工作电路有很大的优越性,它只需使用USB接口就可以完成提供TTL电源、串行口通信、IAP编程及复位信号控制,减少了计算机与外设之间的接口,同时也为在没有COM口的计算机上进行IAP编程提供了可能,增强了外设的灵活性。在电路板设计中,采用CP2101芯片,既可以节省RS232电平转换为TTL电平的电路,又使用5 mm×5 mm的MLP28封装,减少了电路板面积,节省了成本。

  在进行IAP编程的模式下,使用CP2101芯片在计算机上用USB接口虚拟出串行口,这样既可以克服由于USB接口协议的复杂性给用户带来的不便,又可以简化计算机与单片机之间的接口,同时可以给用户设备提供一个5V电源,减少了由于外接电源带来的不便。笔者使用C51对单片机IAP模块进行了二次开发,进一步简化了IAP下载的过程,开发后的IAP程序先写入单片机,用户就可以在应用板上直接下载用户程序,不需任何编程器就可以完成单片机系统的开发及单片机实验教学。同时使用USB转UART和IAP技术为51系列单片机的开发与学习提供一种新的便捷而廉价的方法。对初次学习单片机的人们和大中专院校的学生学习单片机带来极大的方便。

结语

  利用USB转UART技术,简化了外设接口,也为外设提供了5V电源。该技术被广泛应用于手机、数码相机、PDA以及MP3等功耗比较低的设备,既可以省去外接电源,又可以做数据传输和信号控制,同时还可以对外设进行系统升级,具有可观的经济效益和市场前景。


1、 本站不保证以上观点正确,就算是本站原创作品,本站也不保证内容正确。
2、如果您拥有本文版权,并且不想在本站转载,请书面通知本站立即删除并且向您公开道歉! 以上可能是本站收集或者转载的文章,本站可能没有文章中的元件或产品,如果您需要类似的商品请 点这里查看商品列表!
本站协议 | 版权信息 |  关于我们 |  本站地图 |  营业执照 |  发票说明 |  付款方式 |  联系方式
深圳市宝安区西乡五壹电子商行——粤ICP备16073394号-1;地址:深圳西乡河西四坊183号;邮编:518102
E-mail:51dz$163.com($改为@);Tel:(0755)27947428
工作时间:9:30-12:00和13:30-17:30和18:30-20:30,无人接听时可以再打手机13537585389