| | 双稳态电路详细讲解 文章长度[ 13118] 加入时间[ 2006/7/1] 更新时间[ 2026/5/7 3:57:53] 级别[ 3] [ 评论] [ 收藏]
| 一、工作原理 |
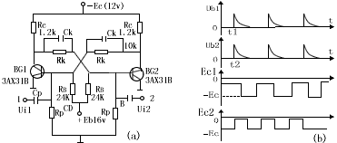
图一为双稳态电路,它是由两级反相器组成的正反馈电路,有两个稳定状态,或者是BG1导通、BG2截止;或者是BG1截止、BG2导通,由于它具有记忆功能,所以广泛地用于计数电路、分频电路和控制电路中, 原理,图2(a)中,设触发器的初始状态为BG1导通,BG2截止,当触发脉冲方波从1端输入,经CpRp微分后,在A点产生正、负方向的尖脉冲,而只有正尖脉冲能通过二极管D1作用于导通管BG1的基极是。ic1减小使BG1退出饱和并进入放大状态,于是它的集电极电位降低,经电阻分压器送到截止管BG2的基极,使BG2的基极电位下降,如果下降幅度足够时,BG2将由截止进入放大状态,因而产生下列正反馈过程(看下列反馈过程时,应注意:在图一的PNP电路中,晶体管的基极和集电极电位均为负值,所以uc1↓,表示BG1集电极电位降低,而uc1↑则表示BG1集电极电位升高,当BG1基极电位降低时,则ic1↑,反之当BG1基极电位升高时,ic1↓ |
| ic1越来越小,ic2越来越大,最后到达BG1截止、BG2导通;接差触发脉冲方波从2端输入,并在t=t2时,有正尖脉冲作用于导通管BG2的基极,又经过正反馈过程,使BG1导通,BG2截止。以后,在1、2端的触发脉冲的轮流作用下,双稳电路的状态也作用相应的翻转,如图一(b)所示。 |
图一、双稳态电路 |
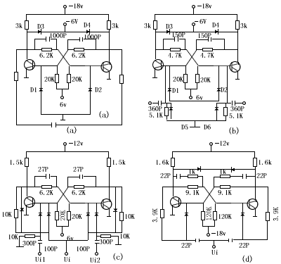
由上述过程可见:(1)双稳态电路的尖顶触发脉冲极性由晶体管的管型决定:PNP管要求正极性脉冲触发,而NPN管却要求负极性脉冲触发。(2)每触发一次,电路翻转一次,因此,从翻转次数的多少,就可以计算输入脉冲的个数,这就是双稳态电路能够计算的原理。 双稳态电路的触发电路形式有:单边触发、基极触发、集电极触发和控制触发等。 图二给出几种实用的双稳态电路。电路(a)中D3、D4为限幅二极管,使输出幅度限制在-6伏左右;电路(b)中的D5、D6是削去负尖脉冲;电路(C)中的ui1、ui2为单触发,ui为输入触发表一是上述电路的技术指标。 |
图二、几种实用的双稳态电路 |
| 表一 |
几种双稳态触发器的技术指标 |
| 图二 |
(a) |
(b) |
(c) |
(d) |
| 管型 |
二极管 |
2AP3 |
2AP15 |
2AK1C |
2AK17 |
| 三极管 |
3AX31B |
3AG40 |
3AK20 |
3DK3B |
| 信号电平 |
“0”(无信号)(V) |
0 |
0 |
0 |
+6 |
| “1”(有信号)(V) |
-6 |
-6 |
-9 |
0 |
| 工作频率(KHz) |
10 |
600 |
1000 |
8000 |
| 抗干扰电压(V) |
≥1 |
≥1.5 |
≥2 |
0.8-1 |
| 触发灵敏度(V) |
≤4 |
≤4.8 |
≤7 |
2.5 |
| 输出端的吸收能力(mA) |
≤4 |
≤6.7 |
≤2 |
10 |
| 输出端的发射能力(mA) |
≤44 |
≤12 |
≤12 |
7 |
| 输出脉冲的上升时间(μs) |
2 |
≤0.30 |
≤0.1 |
≤0.1 |
| 输出脉冲的下降时间(μs) |
2 |
≤0.36 |
≤0.15 |
≤0.1 |
| 对β值的要求 |
>50 |
50-80 |
60-90 |
>50 |
| 元件参数的允许化 |
△β<10,±5% |
△β<10,±5% |
△β<10,±5% |
△β<10,±5% |
| 电源电压的波动范围 |
±5% |
±5% |
±5% |
±5% |
| 工作温度范围(℃) |
0-40 |
-10-55 |
-20-50 |
-10-55 | |
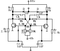
图三、双稳态的设计电路 |
| 表二 |
双稳态电路的设计公式及计算实例 |
| 要求 |
(1)输出幅度Um=6V,(2)上升时间,tr≤100nS (3)最高工作频率fmax=1MHz |
| 步骤 |
计算公式 |
计算实例 |
| 选择晶体管 |
若工作频率高时,应选用高速硅开关管 若工作频率低可选用低频硅或锗管 |
现选3DK,β=50 二极管选用2CK10 |
| 选择电源电压 |
图3为设计电路,故应确定ED、EC、EB |
∵采用箝位电路,故选ED≈Um ∴ED=6V,Ec=2ED=12v,Eb=-12 |
| 计算Rc |
RcCL为集电极对地的电容(包括加速电容、分布电容、后级输入电容) |
现设CL=180pF Rc<12/6 100×10 /180×10 =1.1kΩ |
| 计算Rk、RB |
为保证可靠截止,应满足: Uces-[(EB+Uces)/(RK+RB)]RK为保证可靠饱和,应满足: β{[(Uco-Ubes)/RK]-[(EB+Ubes)/RB]}>[(Ec-Uces)/Rc]+IL 式中:Uces为饱和电压,对硅管Uces≈(0.3~0.4)V Ubeo为截止管临界电压,Ubeo≈0.2V Uco为截止管的集电极电压,应取:Uco=ED+(箝位管正向压降)IL为双稳电路灌入负截电流 |
现选Uces=0.4V,Ubeo=0.2V 0.4-[(12+0.4)/(Rk+RB)]Rk<0.2 ∴RB<61RK (A) 现设IL=100mA,Ueo=6+0.4=6.4V 50[(6.4-0.7)/RK]-[(12+0.7)/RB]>[(12-0.4)/1]+10 ∴RB>12.7RK/(5.7-0.43RK (B) 若选RK=6.8k由(A)算得RB<415K,由(B)式算得RB>31K,故选RB=39K |
| 选择CrRr |
RrCr≤1/2fmax,通常Cr为几十pF |
现选Cr=51pF ∴Rr≤1/6×10 51×10 =3.2k 故选Rr=2.4k |
| 选择加速电容CK |
对合金管CK为几百pF对高频外延管CK为几十pF |
现选Ck=51pF 计算结果标在图三中 | 1、 本站不保证以上观点正确,就算是本站原创作品,本站也不保证内容正确。 2、如果您拥有本文版权,并且不想在本站转载,请书面通知本站立即删除并且向您公开道歉! |