| 注意:访问本站需要Cookie和JavaScript支持!请设置您的浏览器! • 打开购物车 • 查看留言 • 付款方式 • 联系我们 |
![]() |
| 首页 | 电子入门 | 学单片机 | 免费资源 | 下载中心 | 商品列表 | 象棋在线 | 在线绘图 | 加盟五一 | 加入收藏 | 设为首页 |
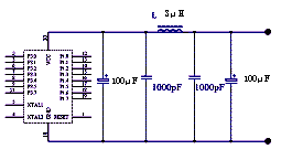
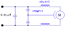
| 选择分类:当前分类——学单片机 相关联或者相类似的文章: 19. “叮咚”门铃(618) 汉字的动态编码与显示方案(616) 初识PIC单片机 (610) 功能齐全的单片机音乐程序(608) 22. 电子琴(606) 基于 PCF8563 时钟芯片的万年历制作(605) 5. 广告灯(利用取表方式)(600) 用单片机制作测速仪 (598) 四个DS1820温度读取C源程序 (598) ★无线电遥控七路开关解码程序(595) 15. 定时计数器T0作定时应用技术(一)(591) 13. 动态数码显示技术(591) 步进电机、步进电机驱动器常见问题解答 (587) ★六位数显电子钟加24路输出(587) MCS-51单片机实用子程序库(96年版)(586) 8*8LED点阵显示实验(585) 用VB进行串口实时数据采集(585) 32. 电子密码锁设计 (583) 设计巧妙的数显抢答器 (582) [转载]绝对经典奉献!5.1音响遥控解码程序!(581) 首页 前页 后页 尾页 本站推荐: | 数字电路设计的抗干扰考虑 在电子系统设计中,为了少走弯路和节省时间,应充分考虑并满足抗干扰性的要求,避免在设计完成后再去进行抗干扰的补救措施。形成干扰的基本要素有三个: (1)干扰源,指产生干扰的元件、设备或信号,用数学语言描述如下:du/dt,di/dt大的地方就是干扰源。如:雷电、继电器、可控硅、电机、高频时钟等都可能成为干扰源。 (2)传播路径,指干扰从干扰源传播到敏感器件的通路或媒介。典型的干扰传播路径是通过导线的传导和空间的辐射。 (3)敏感器件,指容易被干扰的对象。如:A/D、D/A变换器,单片机,数字IC,弱信号放大器等。 抗干扰设计的基本原则是:抑制干扰源,切断干扰传播路径,提高敏感器件的抗干扰性能。 1 抑制干扰源 抑制干扰源就是尽可能的减小干扰源的du/dt,di/dt。这是抗干扰设计中最优先考虑和最重要的原则,常常会起到事半功倍的效果。 2 切断干扰传播路径 按干扰传播路径可分为传导干扰和辐射干扰两类。 (7)在单片机I/O口,电源线,电路板连接线等关键地方使用抗干扰元件如磁珠、磁环、电源滤波器,屏蔽罩,可显著提高电路的抗干扰性能。
1、 本站不保证以上观点正确,就算是本站原创作品,本站也不保证内容正确。 2、如果您拥有本文版权,并且不想在本站转载,请书面通知本站立即删除并且向您公开道歉! |
|
本站协议 |
版权信息 |
关于我们 |
本站地图 |
营业执照 |
发票说明 |
付款方式 |
联系方式
深圳市宝安区西乡五壹电子商行——粤ICP备16073394号-1;地址:深圳西乡河西四坊183号;邮编:518102 E-mail:51dz$163.com($改为@);Tel:(0755)27947428 工作时间:9:30-12:00和13:30-17:30和18:30-20:30,无人接听时可以再打手机13537585389 |