注意:访问本站需要Cookie和JavaScript支持!请设置您的浏览器! 打开购物车 查看留言付款方式联系我们
初中电子 单片机教材一 单片机教材二
搜索上次看见的商品或文章:
商品名、介绍 文章名、内容
首页 电子入门 学单片机 免费资源 下载中心 商品列表 象棋在线 在线绘图 加盟五一 加入收藏 设为首页
本站推荐:
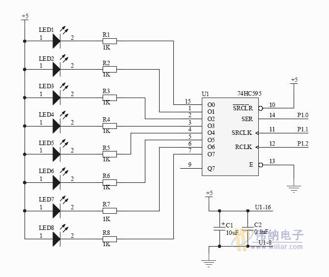
74HC595 的实际应用与编程
文章长度[6315] 加入时间[2006/10/11] 更新时间[2026/5/26 14:30:10] 级别[3] [评论] [收藏]

 

74HC595具有一个8位串行输入并行输出的移位寄存器和一个8位输出锁存器。

应用电路图:

自制实验电路板:

使用一根40线的硬盘连接线将自制电路板与ME300的仿真接口连接即可进行实验。

 

;================================================
;74HC595 走马灯演示程序

;创作日期:2006/01/02
;创作者:  gguoqing
;================================================

         SDATA_595  EQU  P1.0   ;串行数据输入
         SCLK_595   EQU  P1.1   ;移位时钟脉冲
         RCK_595    EQU  P1.2   ;输出锁存器控制脉冲
        
;================================================

               ORG  0000H
               LJMP  MAIN
               ORG  0030H

;================================================
  MAIN:
                MOV  SP,#60H
                MOV  R0,#0FEH
  MAIN1:
                CALL OUT_595
                CALL  DELAY
                MOV  A,R0
                RL  A
                MOV  R0,A
                JMP  MAIN1
;---------------------------------------------------------------
;输出锁存器输出数据子程序
;---------------------------------------------------------------
OUT_595:
                LCALL WR_595
                CLR  RCK_595
                NOP
                NOP
                SETB RCK_595      ;上升沿将数据送到输出锁存器
                NOP
                NOP
                NOP
                CLR  RCK_595
                RET
;--------------------------------------------------------------
;移位寄存器接收数据子程序
;--------------------------------------------------------------
WR_595:        
                MOV R4,#08H        
                MOV A,R0
WR_LOOP:       
                RLC A
                MOV SDATA_595,C
                SETB SCLK_595       ;上升沿发生移位
                NOP
                NOP
                CLR SCLK_595
                DJNZ R4,WR_LOOP
                RET
;--------------------------------------------------------------
;延时子程序
;--------------------------------------------------------------
DELAY:         
                MOV  R5,#03H
 DEL0:        
                MOV  R6,#0FFH
 DEL1:         
                MOV  R7,#0FFH
                DJNZ  R7,$
                DJNZ  R6,DEL1
                DJNZ  R5,DEL0
                RET
;---------------------------------------------------------------
                END

      

1、 本站不保证以上观点正确,就算是本站原创作品,本站也不保证内容正确。
2、如果您拥有本文版权,并且不想在本站转载,请书面通知本站立即删除并且向您公开道歉! 以上可能是本站收集或者转载的文章,本站可能没有文章中的元件或产品,如果您需要类似的商品请 点这里查看商品列表!
本站协议 | 版权信息 |  关于我们 |  本站地图 |  营业执照 |  发票说明 |  付款方式 |  联系方式
深圳市宝安区西乡五壹电子商行——粤ICP备16073394号-1;地址:深圳西乡河西四坊183号;邮编:518102
E-mail:51dz$163.com($改为@);Tel:(0755)27947428
工作时间:9:30-12:00和13:30-17:30和18:30-20:30,无人接听时可以再打手机13537585389