| 注意:访问本站需要Cookie和JavaScript支持!请设置您的浏览器! • 打开购物车 • 查看留言 • 付款方式 • 联系我们 |
![]() |
| 首页 | 电子入门 | 学单片机 | 免费资源 | 下载中心 | 商品列表 | 象棋在线 | 在线绘图 | 加盟五一 | 加入收藏 | 设为首页 |
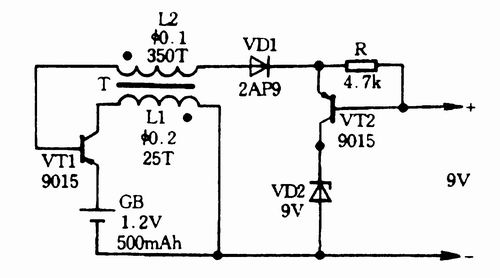
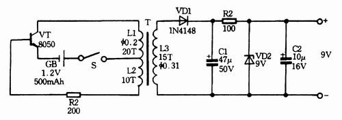
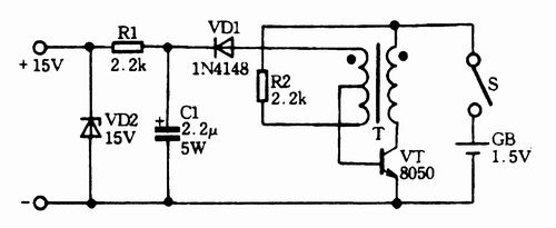
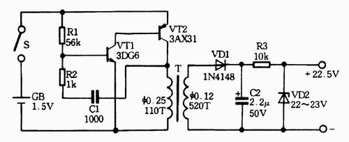
| 选择分类:当前分类——实用电路 相关联或者相类似的文章: 信号发生与频率测量09年技能大赛(1783) 数字电路循迹小车(1783) 十字旋转LED点阵套件制作说明(1783) 直流电机控制电路专辑(1783) 水位控制电路(898) 几种微型电机驱动电路实验和分析(884) 电话线路防盗报警器(865) 光电耦合器的应用(864) 节能型摩托车整流稳压器(860) 给彩电加装无线伴音发射装置(852) 电子灭蝇器(847) 利用TL431作大功率可调稳压电源(805) 电话转呼器(801) 论电视机代替万用表、示波器的可行性(794) 红外接收头的构造(770) 40kHZ超声波收发电路集锦(756) LM567集成电路的应用 (749) 金属接近开关(746) 单运放构成的单稳延时电路(744) 超声波测距精度的探讨(742) 首页 前页 后页 尾页 本站推荐: | 几款直流升压电路
1、 本站不保证以上观点正确,就算是本站原创作品,本站也不保证内容正确。 2、如果您拥有本文版权,并且不想在本站转载,请书面通知本站立即删除并且向您公开道歉! |
|
本站协议 |
版权信息 |
关于我们 |
本站地图 |
营业执照 |
发票说明 |
付款方式 |
联系方式
深圳市宝安区西乡五壹电子商行——粤ICP备16073394号-1;地址:深圳西乡河西四坊183号;邮编:518102 E-mail:51dz$163.com($改为@);Tel:(0755)27947428 工作时间:9:30-12:00和13:30-17:30和18:30-20:30,无人接听时可以再打手机13537585389 |