选择分类:当前分类——当前分类
本站推荐:
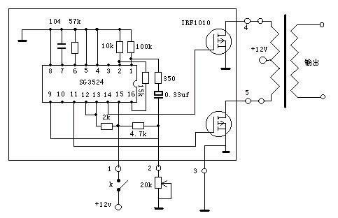
自制大功率高效逆变模块
文章长度[631] 加入时间[2007/2/2] 更新时间[2026/5/10 19:03:29] 级别[0] [评论] [收藏]

 

 

此电路的特点是体积小,效率高,在额定功率范围内温升很小,最大输出功率500W,若要增加功率只要增加并联功率场效应管,可以通过外接电位器进行脉宽调制。
元件选择:驱动电路是专用的脉宽调制震荡SG3524,因其外围元件少,制作简单,所有元件可以用最紧凑的搭焊方法焊在外围,这样可以缩小体积,本电路是否成功的关键是功率场效应管的选择,它的参数最好是50V 50A以上,可选用的是IRF1010,50V 75A的,7、8脚的电阻和电容决定了震荡频率。本电路的频率是250HZ,比工频50HZ高出五倍,所以输出变压器的尺寸和绕制圈数就可以相应减少。如果要工作在50HZ的工频可以适当增大C R的值,这样就可以配接标准的工频控制变压器,这样充电更简单,由于功率管的内部有阻伲二极管,所以只要K断开,直接在输出端输入220V的市电就可以了,整个电路可以用AB胶粘在50X60X1的铝板上。
本模块可以扩展成UPS不间断电源,在二脚外接电压比较电路,还可以稳压输出。

1、 本站不保证以上观点正确,就算是本站原创作品,本站也不保证内容正确。
2、如果您拥有本文版权,并且不想在本站转载,请书面通知本站立即删除并且向您公开道歉! 以上可能是本站收集或者转载的文章,本站可能没有文章中的元件或产品,如果您需要类似的商品请 点这里查看商品列表!