注意:访问本站需要Cookie和JavaScript支持!请设置您的浏览器! 打开购物车 查看留言付款方式联系我们
初中电子 单片机教材一 单片机教材二
搜索上次看见的商品或文章:
商品名、介绍 文章名、内容
首页 电子入门 学单片机 免费资源 下载中心 商品列表 象棋在线 在线绘图 加盟五一 加入收藏 设为首页
本站推荐:
设计巧妙的数显抢答器
文章长度[] 加入时间[2007/9/14] 更新时间[2026/5/28 12:39:34] 级别[0] [评论] [收藏]

 

    本抢答器通过十分巧妙的设计仅用两块数字芯片便实现了数显抢答的功能,与其他抢答器电路相比较有分辨时间极短、结构简单、成本低、制作方便等优点,并且还有防作弊功能。
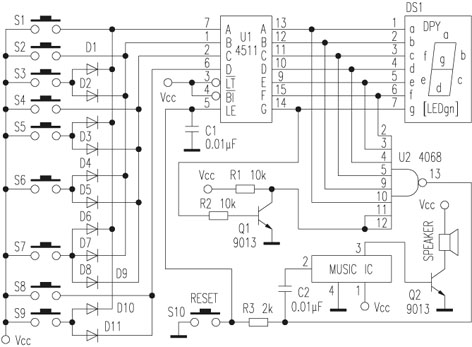
    其原理见附图。
    S1~S9为9个抢答按键,CD4511是BCD码7段译码器,CD4068是八输入与非门,VD1~VD11起对轻触按键进行BCD编码的作用。初始状态下,CD4511驱动LED数码管显示0,即A、B、C、D、E、F这六个笔画为1,G笔画为0。现将G笔画信号用三极管反相,把0对应的笔画信号变为全是1,然后将这些笔画信号送给八输入与非门CD4068。根据与非门的逻辑关系可知CD4068输出为0,这样7段译码器CD4511就处在了译码状态。因为除0外的其他数字对应的笔画信号不全为1,不能使CD4068输出1,也不能使7段译码器CD4511处于译码状态。所以当有按键按下时,CD4068就输出锁存信号0,致使7段译码器CD4511把所键入的数字锁存显示。这样后按下的键就不起作用了。数码管上就只显示最先按下的键号。起到了抢答的作用。
    R1和C1组成积分电路对锁存信号做非常短暂的延时,其作用是让数字电路有足够的响应时间,使之锁存稳定,不致于显示乱码。C2的作用是将直流触发变为脉冲触发,使音乐电路每抢答一次只响一次。S10为复位键。该键可在主持人喊“开始”前按下。若S10键按下后不显示为0,则说明有人在作弊,所显示的是哪个数字就是哪个人在作弊。

                                                                    成都  张亦火


1、 本站不保证以上观点正确,就算是本站原创作品,本站也不保证内容正确。
2、如果您拥有本文版权,并且不想在本站转载,请书面通知本站立即删除并且向您公开道歉! 以上可能是本站收集或者转载的文章,本站可能没有文章中的元件或产品,如果您需要类似的商品请 点这里查看商品列表!
本站协议 | 版权信息 |  关于我们 |  本站地图 |  营业执照 |  发票说明 |  付款方式 |  联系方式
深圳市宝安区西乡五壹电子商行——粤ICP备16073394号-1;地址:深圳西乡河西四坊183号;邮编:518102
E-mail:51dz$163.com($改为@);Tel:(0755)27947428
工作时间:9:30-12:00和13:30-17:30和18:30-20:30,无人接听时可以再打手机13537585389