注意:访问本站需要Cookie和JavaScript支持!请设置您的浏览器! 打开购物车 查看留言付款方式联系我们
初中电子 单片机教材一 单片机教材二
搜索上次看见的商品或文章:
商品名、介绍 文章名、内容
首页 电子入门 学单片机 免费资源 下载中心 商品列表 象棋在线 在线绘图 加盟五一 加入收藏 设为首页
本站推荐:
26. 点阵式LED简单图形显示技术
文章长度[] 加入时间[2008/5/30] 更新时间[2026/5/27 3:38:17] 级别[0] [评论] [收藏]
 
1.  实验任务
在8X8点阵式LED显示“★”、“●”和心形图,通过按键来选择要显示的图形。
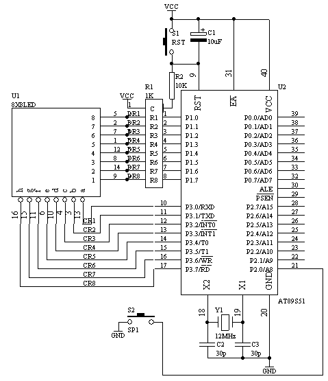
2. 电路原理图
图4.26.1
3. 硬件系统连线
(1).  把“单片机系统”区域中的P1端口用8芯排芯连接到“点阵模块”区域中的“DR1-DR8”端口上;
(2).  把“单片机系统”区域中的P3端口用8芯排芯连接到“点阵模块”区域中的“DC1-DC8”端口上;
(3).  把“单片机系统”区域中的P2.0/A8端子用导线连接到“独立式键盘”区域中的SP1端子上;
4. 程序设计内容
(1).  “★”在8X8LED点阵上显示图如下图所示
1 2 3   4 5  6  7  8

12H,14H,3CH,48H,3CH,14H,12H,00H
(2).  “●”在8X8LED点阵上显示图如下图所示
1 2 3   4 5  6  7  8

00H,00H,38H,44H,44H,44H,38H,00H
(3).  心形图在8X8LED点阵上显示图如下图所示
1 2 3   4 5  6  7  8

30H,48H,44H,22H,44H,48H,30H,00H
5. 汇编源程序
CNTA        EQU 30H
COUNT    EQU 31H
                   ORG 00H
                   LJMP START
                   ORG 0BH
                   LJMP T0X
                   ORG 30H
START:      MOV CNTA,#00H
                   MOV COUNT,#00H
                   MOV TMOD,#01H
                   MOV TH0,#(65536-4000) / 256
                   MOV TL0,#(65536-4000) MOD 256
                   SETB TR0
                   SETB ET0
                   SETB EA
WT:            JB P2.0,WT
                   MOV R6,#5
                   MOV R7,#248
D1:             DJNZ R7,$
                   DJNZ R6,D1
                   JB P2.0,WT
                   INC COUNT
                   MOV A,COUNT
                   CJNE A,#03H,NEXT
                   MOV COUNT,#00H
NEXT:       JNB P2.0,$
                   SJMP WT
T0X: NOP
                   MOV TH0,#(65536-4000) / 256
                   MOV TL0,#(65536-4000) MOD 256
                   MOV DPTR,#TAB
                   MOV A,CNTA
                   MOVC A,@A+DPTR
                   MOV P3,A
                   MOV DPTR,#GRAPH
                   MOV A,COUNT
                   MOV B,#8
                   MUL AB
                   ADD A,CNTA
                   MOVC A,@A+DPTR
                   MOV P1,A
                   INC CNTA
                   MOV A,CNTA
                   CJNE A,#8,NEX
                   MOV CNTA,#00H
NEX:         RETI
TAB:          DB 0FEH,0FDH,0FBH,0F7H,0EFH,0DFH,0BFH,07FH
GRAPH:    DB 12H,14H,3CH,48H,3CH,14H,12H,00H
                   DB 00H,00H,38H,44H,44H,44H,38H,00H
                   DB 30H,48H,44H,22H,44H,48H,30H,00H
                   END
6. C语言源程序
#include <AT89X52.H>
unsigned char code tab[]={0xfe,0xfd,0xfb,0xf7,0xef,0xdf,0xbf,0x7f};
unsigned char code graph[3][8]={{0x12,0x14,0x3c,0x48,0x3c,0x14,0x12,0x00},
                                {0x00,0x00,0x38,0x44,0x44,0x44,0x38,0x00},
                                {0x30,0x48,0x44,0x22,0x44,0x48,0x30,0x00}
                               };
unsigned char count;
unsigned char cnta;
void main(void)
{
  unsigned char i,j;
  TMOD=0x01;
  TH0=(65536-4000)/256;
  TL0=(65536-4000)%256;
  TR0=1;
  ET0=1;
  EA=1;
  while(1)
    {
      if(P2_0==0)
        {
          for(i=5;i>0;i--)
          for(j=248;j>0;j--);
          if(P2_0==0)
            {
              count++;
              if(count==3)
                {
                  count=0;
                }
              while(P2_0==0);
            }
        }
    }
}
void t0(void) interrupt 1 using 0
{
  TH0=(65536-4000)/256;
  TL0=(65536-4000)%256;
  P3=tab[cnta];
  P1=graph[count][cnta];
  cnta++;
  if(cnta==8)
    {
      cnta=0;
    }
}
1、 本站不保证以上观点正确,就算是本站原创作品,本站也不保证内容正确。
2、如果您拥有本文版权,并且不想在本站转载,请书面通知本站立即删除并且向您公开道歉! 以上可能是本站收集或者转载的文章,本站可能没有文章中的元件或产品,如果您需要类似的商品请 点这里查看商品列表!
本站协议 | 版权信息 |  关于我们 |  本站地图 |  营业执照 |  发票说明 |  付款方式 |  联系方式
深圳市宝安区西乡五壹电子商行——粤ICP备16073394号-1;地址:深圳西乡河西四坊183号;邮编:518102
E-mail:51dz$163.com($改为@);Tel:(0755)27947428
工作时间:9:30-12:00和13:30-17:30和18:30-20:30,无人接听时可以再打手机13537585389