|
摘要 RF2968是一个单片蓝牙收发芯片,工作在2400~2500 MHz频段,FSK调制和解调;芯片内含有射频发射、射频接收、FSK调制/解调等电路,能够接收和发送数字信号,符合蓝牙无线电规范1.1要求。文中给出RF2968的结构、原理、特性及应用电路。
1 概述
RF2968是为低成本的蓝牙应用而设计的单片收发集成电路,RF频率范围2400~2500 MHz,RF信道79个,步长1 MHz,数据速率1 MHz,频偏140~175 kHz,输出功率4 dBm,接收灵敏度-85 dBm,电源电压3 V,发射消耗电流59 mA,接收电流消耗49 mA,休眠模式电流消耗250μA。芯片提供给全功能的FSK收发功能,中频和解调部分不需要滤波器或鉴频器,具有镜像抑制前端、集成振荡器电路、可高度编程的合成器等电路。自动校准的接收和发射 IF电路能优化连接的性能,并消除人为的变化。RF2968可应用在蓝牙GSM/GPRS/EDGE 蜂窝电话、无绳电话、蓝牙无线局域网、电池供电的便携设备等系统中。
2 引脚功能
集成电路采用32脚的塑料LCC形式封装,各引脚功能如下。
VCC1:给VCO(压控振荡器)倍频和LO(本机振荡器)放大器电路提供电压。 VCC2:给RX(接收)混频器、TXPA(发射功率放大器)和LNA(低噪声放大器)偏置电路提供电压。 TXOUT:发射机输出。当发射机工作时,TXOUT输出阻抗是50Ω;当发射机不工作时,TX OUT为高阻态。因为这个引脚是直流偏置,所以需外接1个耦合电容。 RXIN:接收机输入。当接收机工作时,RX IN输入阻抗是低阻态;接收机不工作时,RXIN为高阻态。芯片内用1个内部串联电感来调节输入阻抗。 VCC3:给RX输入级(LNA)提供电压。 VCC4:给TX混频器、LO放大器、LNA和RX混频器的偏置电路提供电压。 LPO:低功耗模式的低频时钟输出。在休眠模式中,这个引脚能给基带提供一个3.2 kHz或32 kHz、占空比为50 %的时钟。在其它工作方式没有输出。 DVDDH:给RX IF VGA(接收中频电压增益放大器)电路提供电压。 IRE F:外部接1个精密电阻以产生恒定的基准电流。 VCC5:给模拟中频电路提供电压。 D1:这是为时钟恢复电路提供的电荷泵输出。外接1个RC网络到地以确定PLL的带宽。 BPKTCTL:在发射模式时,这个脚作为启动PA级的选通脉冲;在接收模式时,基带控制器可以有选择地使用这个引脚来给同步字的检测发信号。 BDATA1:输入信号到发射机/接收机的数据输出。输入的数据是速率为1 MHz的没有被滤波的数据。这个引脚是双向的,根据发射和接收模式转换为数据输入或数据输出。 RECCLK:恢复时钟输出。 RECDATA:恢复数据输出。 BXTLEN:功率控制电路的一部分,用来接通/关断芯片的"休眠"模式。在电路从"OFF"状态上电之后,当低功耗时钟不工作时,BR CLK被BXTLEN的状态控制(上电期间,BRCLK先与BXTLEN激活且被设为高电平,以进入空闲状态)。 BRCLK:基准时钟输出。这是由晶振决定的基准时钟,频率范围为10~40 MHz,典型值为13 MHz。电路上电时,BRCLK在基带控制器将BXTLEN设为高电平之前激活。电路进入空闲状态后,当低功耗时钟不工作时,BRCLK由BXTLEN的状态控制。 OSC O:与19脚相同。 OSC I:OSC脚可通过负反馈的方式来产生基准时钟。在OSC I到OSC O之间连接1个并联的晶振和电阻,以提供反馈通道和确定谐振频率。每一个OSC脚都接1个旁路电容来提供合适的晶振负载。如果用1个外部的基准频率,那就要通过1个隔直电容来连接到OSC I,并且用1个470 kΩ的电阻将OSC O和OSC I连接起来。 BnDEN:锁存输入到串行端口的数据。数据在BnDEN的上升沿被锁存。 BDDATA:串行数据通道。读/写数据通过这个引脚送入/输出到芯片上的移位寄存器。读取的数据在BDCLK的上升沿被传送,写数据在BDCLK的下降沿被传送。 BDCLK:串行端口的输入时钟。这个引脚被用来将时钟信号输入到串行端口。要使得跳变频率的编程时间最短时,建议使用10~20 MHz的BRCLK频率。 BnPWR:芯片电源控制电路的一部分,用来控制芯片从"OFF"状态到电源接通状态。 PLLGND:RF合成器、晶体振荡器和串行端口的接地端。 VCC6:RF合成器、晶体振荡器和串行端口的电源端。 DO:RF PLL的充电泵输出。外接1个RC网络到地以确定PLL带宽。要使得合成器的设置时间和相位噪声最小,可采用双重的环路带宽方案。在频率检测的开始时期,使用1个宽环路带宽。在检测频率结束时,用RSHUNT来转换到窄环路带宽,并提供改进的VCO相位噪声。带宽转换的时间由PLL Del 位设置。 RSHUNT:通过将2个外部串联电阻的中点分路到VREG,使环路滤波器从窄带转换到宽带。 RESNTR-:用来给VCO提供直流电压以及调节VCO的中心频率。在RESNTR-和RESNTR+之间需2个电感来跟内部电容形成谐振。在设计印制板时,应该考虑从RESNTR脚到电感器的感抗。可以在RESNTR脚之间加1个小电容来确定VCO的频率范围。 RESNTR+:见引脚28。 VREG:电压调节输出(2.2 V)。需1个旁路电容连接到地。通过与28脚和29脚相连的回路给VCO提供偏置。 IFDGND:数字中频电路接地端。 VCC7:数字中频电路电源电压。
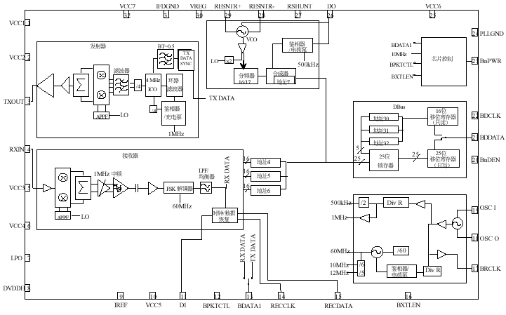
3 内部结构
RF2968是专为蓝牙的应用而设计,工作在2.4 GHz频段的收发机。符合蓝牙无线电规范1.1版本功率等级二(+4 dBm)或等级三(0 dBm)要求。对功率等级1(+20 dBm)的应用,RF2968可以和功率放大器搭配使用,如RF2172。RF2968的内部框图如 图 1 所示。芯片内包含有发射器、接收器、VCO、时钟、数据总线、芯片控制逻辑等电路。
图1 RF2968内部框图
由于芯片内集成了中频滤波器,RF2968只需最少的外部器件,避免外接如中频SAW滤波器和对称-不对称变换器等器件。接收机输入和发射机输出的高阻状态可省去外部接收机/发射机转换开关。RF2968和天线、RF带通滤波器、基带控制器连接,可以实现完整的蓝牙解决方案。除RF信号处理外,RF2968同样能完成数据调制的基带控制、直流补偿、数据和时钟恢复功能。
RF2968发射机输出在内部匹配到50 Ω,需要1个AC耦合电容。接收机的低噪声放大器输入在内部匹配50Ω阻抗到前端滤波器。接收机和发射机在TXOUT和RXIN间连接1个耦合电容,共用1个前端滤波器。此外,发射通道可通过外部的放大器放大到+20 dBm,接通RF2968的发射增益控制和接收信号强度指示,可使蓝牙工作在功率等级一。RSSI数据经串联端口输入,超过-20~80 dBm的功率范围时提供1dB的分辨率。发射增益控制在4 dB步阶内调制,可经串联端口设置。
基带数据经BDATA1脚送到发射机。BDATA1脚是双向传输引脚,在发射模式作为输入端,接收模式作为输出端。RF2968实现基带数据的高斯滤波、FSK调制中频电流控制的晶体振荡器(ICO)和中频IF上变频到RF信道频率。
片内压控振荡器(VCO)产生的频率为本振(LO)频率的一半,再通过倍频到精确的本振频率。在RESNTR+和RESNTR-间的2个外部回路电感设置VCO的调节范围,电压从片内调节器输给VCO,调节器通过1个滤波网络连接在2个回路电感的中间。由于蓝牙快速跳频的需要,环路滤波器(连接到DO和RSHUNT)特别重要,它们决定VCO的跳变和设置时间。所以,极力推荐使用应用电路图中提供的元件值。
RF2968可以使用10 MHz、11 MHz、12 MHz、13 MHz或20 MHz的基准时钟频率,并能支持这些频率的2倍基准时钟。时钟可由外部基准时钟通过隔直电容直接送到OSC1脚。如果没有外部基准时钟,可以用晶振和2个电容组成基准振荡电路。无论是外部或内部产生的基准频率,使用1个连接在OSC1和OSC2之间的电阻来提供合适的偏置。基准频率的频率公差须为20×10-6或更好,以保证最大允许的系统频率偏差保持在RF2968的解调带宽之内。LPO脚用3.2 kHz或32 kHz的低功率方式时钟给休眠模式下的基带设备提供低频时钟。考虑到最小的休眠模式功率消耗,并灵活选择基准时钟频率,可选用12 MHz的基准时钟。
接收机用低中频结构,使得外部元件最少。RF信号向下变频到1 MHz,使中频滤波器可以植入到芯片中。解调数据在BDATA1脚输出,进一步的数据处理用基带PLL数据和时钟恢复电路完成。D1是基带PLL环路滤波器的连接脚。同步数据和时钟在REDATA和RECCLK脚输出。如果基带设备用RF2968做时钟恢复,D1环路滤波器可以略去不用。
4 应用
RF2968射频收发机作为蓝牙系统的物理层(PHY),支持在物理层和基带设备之间的Blue RF(蓝牙射频)接口。
RF2968和基带间有2个接口。串行接口提供控制数据交换的通道,双向接口提供调制解调、定时和芯片功率控制信号的通道。基带控制器与RF2968 接口如图2所示。
图2 基带控制器与RF2968 接口
控制数据通过DBUS串行接口协议的方式在RF2968和基带控制器之间交换。BDCLK、BDDATA和BnDEN都是符合串行接口的信号。基带控制器是主控设备,它启动所有到RF2968寄存器存取操作。RF2968数据寄存器可被编程,或者根据具体命令格式和地址被检索。数据包首先传送MSB。串行数据包的格式如 表 1所列。
表1 串行数据包格式
"写"周期,基带控制器在BDCLK下降沿驱动数据包的每一位,RF2968在数据寄存器设为高状态后,在BDCLK第1个下降沿到来时被移位寄存器的内容更新,如 图 3 所示。
图3 DBUS写编程图
在读操作中,基带控制器发出设备地址、 READ位(R/W=1)和寄存器地址给RF2968,再跟1个持续半个时钟周期的翻转位。这个翻转位允许RF2968在BDCLK的上升沿通过BDDATA驱动它的请求信号。数据位传输后,基带控制器驱动BnDEN为高电平,在第1个BDCLK脉冲的下降沿到来时重新控制BDDATA,如 图 4 所示。
图4 DBUS读编程图
寄存器地址域可寻址32个寄存器,RF2968仅提供3~7和30、31的寄存器地址。通过设置寄存器的数据可实现不同的功能。
双向接口完成数据交换、定时和状态机控制。所有双向同步(定时)来自BRCLK,BRCLK由RF2968产生。RF2968使用BRCLK的下降沿。图 5 给出当数据从RF2968传给基带控制器时的通用定时。
图5 RF2968写入到基带控制器时的通用定时
RF2968的芯片控制电路控制芯片内其它电路的掉电和复位状态,把设备设置为所需要的发射、接收或功率节省模式。芯片的控制输入经双向接口从基带控制器(BNPWR、BXTLEN、BPKTCTL、BDATA1)输入,也可从DBUS模块(RXEN、TXEN)输出端的寄存器输入。基带控制器和RF2968内的状态机维持在控制双向数据线方向的状态。基带控制器控制RF2968内的状态机,并保证数据争用不会在复位和正常工作期间发生。RF2968常用的状态有:
OFF状态--所有电路掉电且复位,设置数据丢失。 IDLE状态--待机模式。数据被读入到控制寄存器中,振荡器保持工作,所有其它电路掉电。 SLEEP状态--芯片通常从IDLE模式进入这种模式。此时,所有电路掉电,但不复位,因此数据得以保留。电路同样可从其它模式进入SLEEP模式,但TXEN和RXEN状态不变,以便TX和RX电路保持导通。 TX DATA状态--数据在这种模式发射(合成器稳定,数据信道同步)。 RX DATA状态--接收的数据经BDATA1(不同步)和REDATA(和RECCLK同步)发送到基带电路。
RF2968的一个典型的应用电路(GSM电话)如 图 6 所示。
图6 RF2968应用电路
|