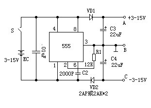
| 选择分类:当前分类——当前分类 相关联或者相类似的文章: 23年前,有个年轻的女子~~~~(2191) MY8848网站销声匿迹 消费者(1196) 有地下王国吗?(1182) 七仙女离婚(1127) 电容器的参数与分类(1126) TL431特性及应用(1074) 地球的黑洞-百幕大三角区(1069) 录取通知书迟一年 家长和学校各执(1018) 三途河之鬼——人类真任性(1014) 白女孩(997) 优胜劣汰的用人原则(989) 何为天堂(987) 知识能否改变命运?(978) 求△V特性镍氢电池充电单元电路图(974) 深圳美的惊世绝仑(967) 做一个可爱的人(958) 无聊的笑话~~!!!(945) 三极管的开关作用(924) 简易FM无线话筒!装好的成品板(921) 考考你的眼睛——请找出那个轮子在(920) 首页 前页 后页 尾页 本站推荐: | 单电源变双电源电 ++ 单电源变双电源电路 ++ 附图电路中,时基电路555接成无稳态电路,3脚输出频率为20KHz、占空比为1:1的方波。3脚为高电平时,C4被充电;低电平时,C3被充电。由于VD1、VD2的存在,C3、C4在电路中只充电不放电,充电最大值为EC,将B端接地,在A、C两端就得到+/-EC的双电源。本电路输出电流超过50mA。 ![]() 1、 本站不保证以上观点正确,就算是本站原创作品,本站也不保证内容正确。 2、如果您拥有本文版权,并且不想在本站转载,请书面通知本站立即删除并且向您公开道歉! |