CXA1238FM(调频)立体声收音元件包:电路板规格:55×55mm, 收音部分采用CXA1238集成电路,音质优美的FM收音,这是大家都供认,功放部分采用2822集成电路,也是常用的功放IC之一。本站有配套的光板和带外壳的套件出售,大家可以在站内搜索相关产品及文章。下面图片为本站装好的成品,你购买后,要通过自己装配才可以。(使用少数贴片元件,同时也可以练习一上贴片元件的焊接)
CXA1238FM立体声收音元件包详细说明:印刷电路板,元件清单,元件,原理说明,制作说明等等。
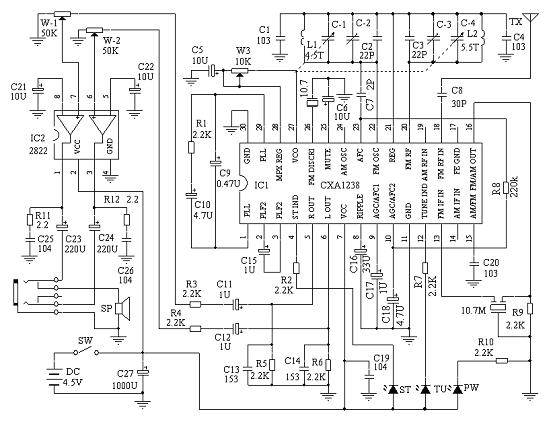
原理和原理图从变压器输出的交流电输入到AC插座,由D1—D4组成的整流桥整流后,输出直流电给整机供电;直流电从DC插座输入。C31、C21、C26为滤波电容,给功放IC 2822和收音集成电路CXA1238供电。CXA1238为SONY公司开发的带AM和FM立体声超外差接收电路,这里只采用了FM立体声接收功能,所以波段选择引脚15脚应为高电平(如为接收AM波段的该脚接地)。高频信号经天线、C8耦合到信号输入引脚18脚,经内部放大,20脚外接的C3、C-4、C-5、L2调谐选出要接收的频率信号送到混频级,22脚外接的C2、C-1、C-2、L1组成本机振荡电路,产生的振荡信号也送入混频级和接收信号混频,从16脚输出10.7MHz的中频信号,经三端陶瓷滤波器滤除10.7MHz以外的信号后从13脚送回内部进行中频放大和立体声解码,最后从5脚、6脚输出左右声道的音频信号送往音量调节电位器,再送由TDA2822组成的功放电路进行音频功率放大,最后从耳机插座输出推动耳机或喇叭发声。
电路原理图:(注 电路板上C16、C17的丝印错了,正确应和下面电路图一样为C16为33UF,C17为1UF,C13、C14改为使用222贴片电容)

光板如下:

装好的带壳成品图片如下:

焊接贴片元件的注意事项:
一、 贴片IC焊接
1、先用烙铁在元件一个引脚的焊盘上镀锡,用镊子夹住元件,摆正位置,然后固定元件。(一般是在四角的其中一个引脚上镀锡,然后固定。)
2、 一手拿着焊锡丝,另一只手拿着烙铁,分别固定剩余的4角的3个脚,焊接的时候注意焊接力度,千万不要让元件移位,四个角都固定后,再焊接的时候,元件就不会发生移位了。(如果担心自己摆不正元件,可以先用松香固定元件的四个角,方法是:用镊子夹住元件,放在焊盘上,确认焊盘对整齐后,用镊子夹住一小块松香,轻轻放到引脚上,用烙铁加热松香使其溶化,然后移开烙铁,让松香凝固,这样芯片就被固定住了,同样的方法固定好全部4个角,然后再次检查元件是否摆正,确认元件摆正后,用烙铁熔化焊锡重新固定元件的4个角。)
3、元件固定好后,一手拿焊锡,一手拿烙铁,烙铁尖放在元件的一角上,焊锡放在烙铁尖上,让焊锡融化,等焊锡融化成一个比较大的圆球后,向没有焊接焊锡的引脚方向慢慢移动烙铁(这时候可以使板子稍微向烙铁移动的方向倾斜一下,以便焊锡更好的流动),注意移动速度要慢,每移动到一个引脚处时要让焊锡在这个引脚处充分融化,这样才能确保该引脚不会被虚焊,移动的时候力度一定要轻,力度过大会损坏元件的引脚,这个过程需要多多练习才能够熟练操作,当烙铁拖过一边后,这一边的引脚就焊好了,通常一边焊接后,最后的几个引脚会被多余的焊锡连在一起,这时候可以甩掉烙铁头上多余的焊锡,将烙铁头在松香里面蘸一下,然后小心的用烙铁头在引脚之间划过,以去除多余焊锡,也可以将烙铁头放在连在一起的引脚处,拿起板子,待焊锡溶化后,用力把板子砸在桌子上,这样就能磕掉多余的焊锡,不过这样容易让锡渣流到板子的其他地方,注意把溅出的锡渣清理掉。
4、用同样的方法焊接所有的引脚。
二、 贴片电阻、电容等两脚贴片元件的焊接
1、贴片电阻、电容等两脚贴片元件焊接前,先用烙铁在电路板上电阻等两脚元件的一个焊盘上焊一点锡(在哪一个焊盘上焊锡依据个人焊接习惯,我比较喜欢先在右边焊盘镀锡,这样比较符合焊接习惯),也可以将板子上所有的两脚贴片元件的一个焊盘镀锡,这样比较省事;
2、在一个焊盘上镀完锡后,用镊子夹住电阻等两脚元件在对应的焊盘上摆正位置,用烙铁将元件的一端焊接到焊盘的镀锡一端,然后拿着焊锡丝将另一端焊住。一种比较省时省力的方法是:先将所有两脚元件的一端固定在相应位置的镀锡焊盘上,然后在同一焊接另一端引脚;
3、焊接时候要注意时间和力度,用力过大或者焊接时间过长会让对面的焊锡也融化了,这样容易导致元件移位。
焊接完所有引脚后,检查各个引脚之间是否有短路的情况,如果有,则用烙铁从两个引脚之间慢慢划过,这样让多余的焊锡吸附到烙铁上,从而消除短路。
查看和发表评论 管理员一般会在8-48小时内回复,会删除无意义的留言以及重复留言,请保证留言标题清晰,内容明确! 1、评论不代表本站观点。 另外,即使是本站原创作品,本站也不保证内容绝对正确。 2、如果您拥有本文版权,并且不想在此处发表,请书面通知本站立即删除并且向您公开道歉! |